Space Background Image
abstract masthead bottom design with gradient effects representing innovation

Model 3646 Portable Instrument Cleaning System

Product Details

The Model 3646 Portable Instrument Cleaning System is a portable, completely self-contained maintenance system designed for cleaning pressure gauges, transducers, and other “dead end” instruments incorporating a Bourdon tube or similar sensing element. The Model 3646 Portable Instrument Cleaning System is also useful for maintaining vacuum gauges. The cleaning process is driven by an electrically powered pump unit, which is used to evacuate and fill the gauge-sensing element with an environmentally friendly non-toxic solvent to flush away contaminants. Raptor Scientific recommends the Model 3646 Portable Instrument Cleaning System for maintaining the master gauges furnished with the Model 3112 Portable Live Pressure Calibration and Test System, Model 3461 Portable Pressure Calibration/Test System, Model 3540 Portable Pneumatic Gauge Tester, and other instruments and test sets incorporating Bourdon tube sensing elements with a maximum measurement range above 15 psig.

Effective: Drain and purge cleaning process quickly flushes away hydrocarbons, dirt particles, and other contaminants without damaging sensitive instruments.

Simple and easy to use: Two selector valves control the entire cleaning process.

Two versions are available: KNC P/N 3646-1-1 for all pneumatic gauges, transducers, and other devices that do not handle oxygen; KNC P/N 3646-1-104 for all oxygen gauges including breathing oxygen systems.

All system components and accessories are housed in two compact and rugged aluminum carrying cases.

Uses environmentally friendly 3M HFE-7100 cleaning solvent.

Kit contains all necessary equipment, including Teflon tube assemblies, fill and waste flasks, an adapter kit accommodating commonly used pneumatic fittings and thread sizes, silicone grease, and two sampling bottles.

portable-instrument-cleaning-system
The Model 3646 cleaning system is also effective for maintaining the pressure transducers incorporated in the Model 3688-A Portable Air Data Calibrator, Model 3689 Precision Pressure Standard System, Model 3719 Air Data Test Set, and other electronic air data and pressure calibrators manufactured by King Nutronics Corporation.

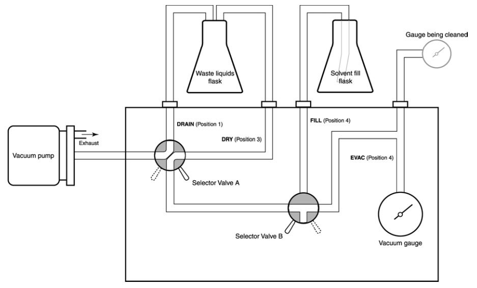
During operation, the gauge to be cleaned, a flask filled with fresh cleaning solvent, and an empty flask for catching waste liquid are connected to the pump unit using the supplied Teflon hoses as shown above. The two selector valves on the front panel are moved in sequence to evacuate and fill the gauge sensing element, and to route used cleaning fluid into the waste flask.

model-3646-portable-instrument-cleaning-system

To begin the cleaning process, air and loose contaminants inside the sensing element are purged into the waste flask by moving Selector Valve A to the DRAIN position and Selector Valve B to the EVAC position, as shown in the diagram above. After the instrument has been purged, Selector Valve A is moved to the DRY position, connecting the vacuum pump directly to the gauge being cleaned. This increases the vacuum inside the sensing element to approximately 28 in-Hg.

When 28 in-Hg of vacuum has been reached inside the sensing element, Selector Valve B is moved to the FILL position, connecting the flask filled with fresh solvent to the gauge being cleaned. Solvent is forced rapidly into the evacuated sensing element by the atmospheric pressure inside the fill flask. Once the sensing element is filled with solvent, Selector Valve A is moved back to the DRAIN position and Selector Valve B is moved to the EVAC position to purge the used cleaning solvent and any contaminants into the waste flask.

After the sensing element has been drained of fluid, Selector Valve B is returned to the DRY position to apply vacuum, causing any remaining solvent to flash-boil, driving any residual liquid from the inside of the Bourdon tube. The action of the rapidly boiling liquid effectively scrubs the interior walls of the Bourdon tube.

The cleaning cycle should be repeated four or five times to ensure that the sensing element has been flushed completely. A sampling bottle may substituted for the waste flask during the last drain cycle, allowing the solvent to be visually inspected for the presence of dirt particles, hydrocarbons, and other contaminants.

After the sensing element has been thoroughly cleaned, Selector Valve A is moved to the DRY position and Selector Valve B is moved to the EVAC position to thoroughly dry the inside of the instrument.

The Model 3646 Portable Instrument Cleaning System is housed in two compact and rugged drawn aluminum carrying cases for convenient transport and storage. The pump unit case incorporates an electrically powered two-stage piston-driven vacuum pump, a front panel mounted vacuum gauge and selector valves, and the interconnecting plumbing. The technical manual and power cord can be stored in the pump unit case lid for convenience.

The accessory case includes the fill and waste fluid flasks, storage for the cleaning solvent, a quick- disconnect adapter kit compatible with commonly used pneumatic fittings and thread sizes, two sampling bottles, a tube of silicone grease, and several Teflon tube assemblies used for connecting the pump unit to the flasks and the gauge being cleaned.

model-3646-portable-instrument-cleaning-system-knc-pn-3646-1-1Two configurations of the Model 3646 Portable Instrument Cleaning System are available. KNC P/N 3646-1-1, shown at right, can be used with all pneumatic gauges, transducers, and other devices not intended for handling oxygen. KNC P/N 3646-1- 104 is designed specifically for maintaining oxygen gauges, including those used in breathing oxygen systems, and is assembled and tested under “oxygen clean” conditions. The contents of the two kits is otherwise identical.

 

Vacuum Pump:

Electrical Requirements: 115 VAC, 60 Hz, 10 Amps

Maximum Vacuum: 28.5 in-Hg

Vacuum Gauge Range: 0 to 30 in-Hg

Cleaning Solvent Storage Container: 1 Gallon Capacity

Waste and Fill Flasks: 1 Quart Capacity

Sampling Bottles (Qty. 2): 2 Fluid Ounce Capacity

Case Dimensions & Weight:

12”W x 12.5”H x 11.5”D

Pump Unit Case: 35 lbs.

Accessory Case: 14 lbs. (Dry)

*Not for use with Flammable Solvents

Download PDF Icon

Instrument Cleaning & Contamination Prevention

Products

PN 3666-197-1 Liquid Trap View Product
Model534-2_06 instrument cleaning and contamination
Fluid Separator View Product

Request a Free Quote for the Model 3646 Portable Instrument Cleaning System

contact us